The Swift SDK for Android

https://www.swift.org/assets/images/swift-sdk-for-android-blog/blog-hero@2x.png
Swift is now available for Android through a new SDK, allowing developers to create cross-platform apps. The SDK is available for download and comes with a Getting Started guide and example projects.

Unlocking free WiFi on British Airways

https://assets.saxrag.com/ba/hn_wireshark.png
User exploited British Airways' free WiFi by using a SNI trick to bypass restrictions and access the internet. They used an HTTPS proxy and ECH to successfully browse the internet on the free WiFi, but bandwidth was limited.

Typst 0.14

https://typst.app/assets/images/laurenz.webp
Typst 0.14 expands its scope with new features for accessibility, PDF standards, and HTML export. It now generates accessible documents by default and supports PDF as a native image format.

Roc Camera

https://roc.camera/images/paper.png
People used to treasure physical photos as a reflection of reality, but now AI-generated images and altered realities blur the line between what's real and fake. Roc Camera uses zero-knowledge proofs to verify real moments, ensuring authenticity in a digital world.

First convex polyhedron found that can't pass through itself

https://www.quantamagazine.org/wp-content/uploads/2017/04/Klarreich_Erica1.jpg
Mathematicians Jakob Steininger and Sergey Yurkevich discovered a shape called the Noperthedron that cannot fit another of its kind through a tunnel. They proved this by dividing the shape's possible orientations into tiny blocks and ruling out each one.

Counter-Strike's player economy is in a freefall

https://static0.polygonimages.com/wordpress/wp-content/uploads/2025/10/pikmin-4-photo-mode.jpg?q=49&fit=crop&w=120&h=80&dpr=2
Valve's recent update to Counter-Strike has caused a 25% drop in the game's player marketplace value, losing $1.75 billion overnight. The update allows Covert items to be traded up, making rare items like Knives and Gloves less valuable.

'Attention is all you need' coauthor says he's 'sick' of transformers

We're verifying your browser Website owner? Click here to fix

Twake Drive – An open-source alternative to Google Drive

https://private-user-images.githubusercontent.com/146178981/338906260-01827068-13b8-420a-9159-bf3d97220a12.jpeg?jwt=eyJ0eXAiOiJKV1QiLCJhbGciOiJIUzI1NiJ9.eyJpc3MiOiJnaXRodWIuY29tIiwiYXVkIjoicmF3LmdpdGh1YnVzZXJjb250ZW50LmNvbSIsImtleSI6ImtleTUiLCJleHAiOjE3NjEzMDMyMjksIm5iZiI6MTc2MTMwMjkyOSwicGF0aCI6Ii8xNDYxNzg5ODEvMzM4OTA2MjYwLTAxODI3MDY4LTEzYjgtNDIwYS05MTU5LWJmM2Q5NzIyMGExMi5qcGVnP1gtQW16LUFsZ29yaXRobT1BV1M0LUhNQUMtU0hBMjU2JlgtQW16LUNyZWRlbnRpYWw9QUtJQVZDT0RZTFNBNTNQUUs0WkElMkYyMDI1MTAyNCUyRnVzLWVhc3QtMSUyRnMzJTJGYXdzNF9yZXF1ZXN0JlgtQW16LURhdGU9MjAyNTEwMjRUMTA0ODQ5WiZYLUFtei1FeHBpcmVzPTMwMCZYLUFtei1TaWduYXR1cmU9OGU0OWU1MmVkZDIyNmE5OTk4ZWIwODg4MTQzYTMzYzhkNGFmYWEyYjkwNDc0YTY3Y2FjNzA0NDBhMmFiZWE4MSZYLUFtei1TaWduZWRIZWFkZXJzPWhvc3QifQ.R-aDROE8oTAIQiwFAVQ5xiB2P97-92aCe3JX_gch0DM
The open-source alternative to Google Drive. . Contribute to linagora/twake-drive development by creating an account on GitHub.

Computer science courses that don't exist, but should (2015)

Courses include CSCI 2100 on variable creation and functions, CSCI 3300 on historical software products, CSCI 4020 on performance optimization, CSCI 2170 on UX for command line tools, and PSYC 4410 on programmer mind obsessions.

Asahi Linux Still Working on Apple M3 Support, M1n1 Bootloader Going Rust

https://www.phoronix.com/assets/categories/apple.webp
Asahi Linux developers have made progress on Apple Silicon support, including kernel patches for Linux 6.17 and 6.18 and Rust adoption for the m1n1 bootloader. They are also working on game compatibility and graphics driver support.

Why I code as a CTO

https://cdn.prod.website-files.com/610225ff318d106f5343df0c/68f7d259dfe40ebddb3b899a_Screenshot%202025-10-16%20at%2012.36.40%E2%80%AFAM.png
A CTO writes code to stay technically relevant and drive innovation, shipping substantial features and fixing bugs to maintain a mental map of the codebase. This approach allows them to focus on building things, solving technical problems, and making strategic decisions with a deep understanding of the system.

FBI Agents Visit Anti-ICE Protester: "Your name was brought up."

https://substackcdn.com/image/fetch/$s_!G9rJ!,w_1200,h_600,c_fill,f_jpg,q_auto:good,fl_progressive:steep,g_auto/https%3A%2F%2Fsubstack-post-media.s3.amazonaws.com%2Fpublic%2Fimages%2Fea5f4a32-62a4-4776-9d05-db8677aa38d8_1784x1002.png
The FBI is quietly interrogating anti-ICE protesters, including a special-needs teacher who attended a peaceful protest in Tucson, Arizona. The questioning aims to map out an organized Antifa structure, undermining Americans' freedom of speech and political expression.

Apple will phase out Rosetta 2 in macOS 28

https://developer.apple.com/tutorials/developer-og.jpg
macOS Tahoe will be the last release for Intel-based Mac computers, with security updates for 3 years and Rosetta available for 2 major releases. Rosetta translates Intel apps for Apple silicon, but is not a substitute for native versions and has limitations, including no support for AVX512 vector instructions.

Code like a surgeon

https://www.geoffreylitt.com/images/headshot.jpg?1761319175
The author wants to focus on core tasks, leveraging AI for secondary tasks like prep work and admin, allowing them to work like a surgeon. This approach enables productivity gains and helps delegate grunt work, promoting a more equitable team dynamic.

Poker fraud used X-ray tables, high-tech glasses and NBA players

https://ichef.bbci.co.uk/news/480/cpsprodpb/aaad/live/9999e380-b0d4-11f0-b2a1-6f537f66f9aa.jpg.webp
The mafia allegedly cheated celebrities and wealthy gamblers out of $7m in an elaborate Texas Hold'em scheme using X-ray tables, secret cameras, and rigged technology. Over 30 arrests were made, including NBA coach Chauncey Billups and former player Damon Jones, in a sprawling federal investigation.

Study: MRI contrast agent causes harmful metal buildup in some patients

https://www.ormanager.com/wp-content/themes/orm-theme/assets/img/or-am-logo.png
Research suggests gadolinium contrast agents in MRI scans may react with dietary compounds to form toxic metal nanoparticles in the body. This reaction, linked to retained gadolinium, may cause severe symptoms in some individuals due to individual biology and immune response.

WebDAV isn't dead yet

https://blog.feld.me/static/site_logo_512.png
The user suggests abandoning S3 and using WebDAV for file storage, citing its broad availability and simplicity. They provide a setup example using Apache and mention alternative solutions like Caddy and Altmount for file access and Usenet integration.

Harnessing America's heat pump moment

https://media.beehiiv.com/cdn-cgi/image/fit=scale-down,format=auto,onerror=redirect,quality=80/uploads/asset/file/a971b762-8820-4d24-9d4b-ee070d7a7d5c/image.png?t=1758289180
Joseph DeNatale discusses the importance of heat pumps in reducing carbon emissions and making homes more energy-independent, citing their efficiency and potential to replace fossil fuels. Despite the technology being available for decades, adoption is hindered by human factors such as lack of understanding and implementation, but momentum is building with government support and private investment.

Mesh2Motion – Open-source web application to animate 3D models

https://mesh2motion.org/images/animal-example.png
Mesh2Motion is a free open-source web app for animating 3D models of various creatures. It's available for personal and commercial use, with code on GitHub and feedback on the GitHub page or socials.

Debian Technical Committee overrides systemd change

The Debian Technical Committee decided that systemd should comply with Debian Policy and provide /var/lock with relaxed permissions to allow existing software to work again. The change will be implemented by adding a configuration file in /etc/tmpfiles.d to override systemd's defaults and create the directory with the desired permissions.

A sharded DuckDB on 63 nodes runs 1T row aggregation challenge in 5 sec

https://img.youtube.com/vi/8dVK86bDOVI/maxresdefault.jpg
GizmoEdge processed 1 trillion records in seconds using a 1,000-worker cluster on Azure. It's a distributed SQL engine designed for heterogeneous computing, including IoT devices and cloud clusters.

Disable AI in Firefox

https://flamedfury.com/icon-512x512.png
Mozilla has rolled out AI features in Firefox by default, but users can disable them by setting browser.ml.enable to false in about:config. This disables all AI features, or users can keep it enabled and toggle individual features like Smart Tab Groups.

How to make a Smith chart

https://www.johndcook.com/smith_chart.png
A Smith chart is derived from a Möbius transformation that maps the right half-plane to the interior of the unit circle. The transformation maps vertical lines to circles inside the unit circle and horizontal lines to circles that extend past the unit circle.

Alaska Airlines' statement on IT outage

https://news.alaskaair.com/wp-content/uploads/2024/11/AS-logo.png
Alaska Airlines is experiencing a systemwide IT outage causing delays and cancellations due to a primary data center failure. The airline is working to resolve the issue and has a flexible travel policy in place for affected guests.

New OSM file format: 30% smaller than PBF, 5x faster to import

https://community-cdn.openstreetmap.org/uploads/default/optimized/3X/6/3/63cb08ad6b5f33578da3f529982ccd975caba949_2_690x358.jpeg
GOB is a new file format for OSM data, making it faster and easier to work with, with average file sizes 30% smaller than PBFs. GOB files can be loaded into a GOL 5 times faster than building from a PBF, with significant speed advantages on memory-constrained machines.

JupyterGIS breaks through to the next level

https://eo4society.esa.int/wp-content/uploads/2025/10/screenshot-1-667x400.png
JupyterGIS is a collaborative web-based GIS environment launched in June 2024, offering real-time editing and integration with notebooks. It features a browser-based processing toolbox, STAC browser, and support for various geospatial data formats.

Interstellar Mission to a Black Hole

https://www.centauri-dreams.org/wp-content/uploads/2025/10/black_hole.jpg
Author discusses interstellar flight and proposes exploring black holes as targets. They suggest using beamed sailcraft to study nearby black holes, potentially within 20-25 light years.

"ChatGPT said this" Is Lazy

https://terriblesoftware.org/wp-content/uploads/2025/10/cznmcy1wcml2yxrll3jhd3bpegvsx2ltywdlcy93zwjzaxrlx2nvbnrlbnqvbhivchgxmdmxmzuwlwltywdllwt3dndmbtg3lmpwzw.webp?w=1024
Providing AI-generated feedback is lazy and unhelpful, as it doesn't consider specific context or constraints. Real engagement requires writing specific feedback based on understanding the code and context.

Modern Perfect Hashing

The goal is to create a code that maps a known set of strings to predefined integers, rejecting everything else. This is similar to a hash table, but since the set of strings is known ahead of time, it can be optimized.

State of Embedded: Q4 2025 Overview

https://sbcwiki.com/news/articles/state-of-embedded-q4-25/State-of-Embedded-Q4-25-Thumb_hu_e8464f300ca859de.webp
Qualcomm's acquisition of Arduino and the release of the Dragonwing SoC have disrupted the SBC market, while NVIDIA's DGX Spark and Rockchip's RK3688/RK3668 roadmaps have advanced the field. The ARM SBC ecosystem is thriving, driven by open-source, AI NPUs, and software improvements, with notable releases from Radxa, Raspberry Pi, and MediaTek.

Google Pixel's most dangerous bug: failing to call 911

https://static0.anpoimages.com/wordpress/wp-content/uploads/wm/2025/09/pixel-10-pro-hands-on-1.jpg?&fit=crop&w=1600&h=900
Pixel phones continue to experience issues with 911 calls, affecting major US networks and causing real-world consequences. Google should prioritize fixing the underlying problem with carriers to prevent frequent failures.

Image Dithering: Eleven Algorithms and Source Code (2012)

Dithering is a technique used to approximate unavailable colors with available ones, reducing image quality loss when displaying or printing images with fewer colors than the original. Various error diffusion algorithms, such as Floyd-Steinberg and Jarvis-Judic-Ninke, can be used to achieve smooth and subtle output, but their performance can be affected by several variables.

US tariff negotiations with Canada terminated over advertisement

https://ichef.bbci.co.uk/news/480/cpsprodpb/9c4d/live/46ab9560-b08e-11f0-9030-57c222c79f8b.jpg.webp
US President Donald Trump has ended all trade negotiations with Canada after a video featuring Ronald Reagan criticizing tariffs was posted by the Ontario government. Trump imposed a 35% levy on Canadian imports and accused Canada of interfering with the US Supreme Court.

Microsoft Teams will start tracking office attendance

https://cdn.mos.cms.futurecdn.net/ygEjWVbG3KuQLQe46wg25h.gif
Microsoft Teams will track users' locations using office Wi-Fi in a December 2025 update. This feature will be off by default but can be enabled by tenant admins, potentially affecting remote workers' peace and quiet.

TextEdit and the relief of simple software

https://media.newyorker.com/photos/68eea7e339a4bf11a7672d4e/2:2/w_2560%2Cc_limit/NewYorker_Textedit_sketch_%2520.jpg
The desktop interface has evolved from a graphical-user interface to potentially disappearing with AI, allowing users to interact through plain language. TextEdit, a simple text-editing app, has become a trusted tool for users seeking a low-tech, distraction-free experience.

Show HN: LLM Rescuer – Fixing the billion dollar mistake in Ruby

https://opengraph.githubassets.com/d274b4aa78502ca692cd7f2515c01272b9c7fe39f39c86d5d027dcd9c44f35f9/barodeur/llm_rescuer
This project, LLM Rescuer, is a Ruby gem that uses AI to guess what developers meant when they called methods on nil. It introduces unpredictable behavior and potential security risks, making it unsuitable for production environments.

ChunkLLM: A Lightweight Pluggable Framework for Accelerating LLMs Inference

https://arxiv.org/static/browse/0.3.4/images/icons/smileybones-pixel.png
Researchers proposed ChunkLLM, a lightweight framework to address Transformer's computational inefficiencies. ChunkLLM achieves comparable performance with a 48.58% key-value cache retention rate and a 4.48x speedup on long-text processing.

Vibe Coding in the 90s

https://ssg.dev/content/images/size/w1200/2025/07/Screenshot-2025-07-21-130945.png
The user found a CD-ROM with public domain sample code for various applications, allowing them to easily create projects by copying and modifying existing code. This makes programming easier and faster, potentially reducing the need for programmers in the future.

"Return YouTube Dislike" Chrome Extension Injecting Ads

https://ssl.gstatic.com/chrome/webstore/images/chrome_web_store_v2_1200x630.png
The app now includes intrusive premium features and pop-ups, making it less valuable for users. It has become a paywall with useless features, leading to uninstallation and criticism from users.

Show HN: I built an 8-bit CPU simulator in Python from scratch

https://raw.githubusercontent.com/sql-hkr/tiny8/main/docs/_static/examples/bubblesort.gif
Tiny8 is a lightweight toolkit for exploring computer core concepts through small-scale memory models and assembly language. It supports Python 3.11 and newer with zero unnecessary dependencies.

Fast-DLLM: Training-Free Acceleration of Diffusion LLM

https://arxiv.org/static/browse/0.3.4/images/icons/smileybones-pixel.png
Researchers improved Diffusion LLMs by introducing a novel cache mechanism and confidence-aware parallel decoding strategy. This led to a 27.6x throughput improvement with minimal accuracy loss, bridging the performance gap with autoregressive models.

Powerful and precise multi-color lasers now fit on a single chip

https://scx0.b-cdn.net/pic/sadie.jpg
Researchers in Michal Lipson's lab created a frequency comb, a special type of light with many colors, on a chip. This breakthrough enables powerful, efficient, and compact multi-color lasers for data centers, AI, and other applications.

Validating your ideas on strangers (2017)

The author validates ideas by pitching them to strangers at a bar, using the feedback to improve and refine the concept. This technique, called "Talking with Strangers," is similar to focus grouping but free and faster, allowing for quick iteration and improvement.

Britain's most tattooed man says UK's age check told him to "remove his face"

https://www.dexerto.com/cdn-image/wp-content/uploads/2025/07/31/uk-age-system-tattooed-man-face-remove.jpg?width=1200&quality=60&format=auto
Britain's most tattooed man, Matthew Whelan, is being blocked by the UK's new online age-check system due to his facial tattoos being mistaken for a mask. He's considering using a VPN to bypass the system, which has sparked debate over its discriminatory effects on people with facial tattoos.

Traffic Light Protocol

https://www.first.org/_/img/icon-community.svg
The Traffic Light Protocol (TLP) is a standardized set of four labels used to indicate information sharing boundaries. It was created to facilitate collaboration and sharing of sensitive information.

The Mainframe Six (2022)

Mainframe vendors include IBM, Unisys, Fujitsu, Hitachi, Atos, and NEC, each with unique systems and customer bases. Estimated customer numbers range from 200 to 7,000 across these vendors, with IBM having the largest customer base.

Show HN: A fast, privacy-first image converter that runs in browser

https://imageconverter.dev/og.png
imageconverter.dev offers free, unlimited, and watermark-free conversions in the browser with no account needed. It preserves image resolution and supports bulk conversions through a separate bulk resize tool.

Ivy League psychologist: 'Bring your whole self to work' is bad advice

https://image.cnbcfm.com/api/v1/image/108186789-250708-mi-10-himi-shankweilers-drivein-thumbnail-6.jpg?v=1755286397&w=750&h=422&vtcrop=y
Psychologist Tomas Chamorro-Premuzic says to not take "bring your whole self to work" too literally, as workplaces value professional demeanor over personal idiosyncrasies. He recommends encouraging respectful behavior instead of authenticity to create a better work environment.

Rust Contagious Borrow Issue

https://qouteall.fun/qouteall-blog/assets/images/rust_reference_shape.drawio-e644a30d28716a4e4e66a58c30499617.png
Rust's ownership system forms a tree where one object can own many children or no child, but must be owned by exactly one parent. To avoid contagious borrow issues, borrow as temporary as possible, use split borrow, clone data, or use reference counting and interior mutability, and consider using entity component systems or IDs/handles to replace borrow.

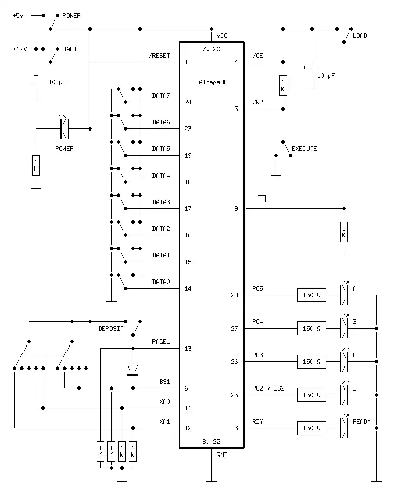
Front-Panel Booting an ATmega88 Microcontroller

https://www.linusakesson.net/hardware/frontpanel/schematics.png
The user describes their experience of programming a microcontroller from scratch using a front panel interface, tracing the lineage of computer hardware and software back to a bootstrap routine programmed by hand. They built a front panel for an ATmega88 microcontroller and used it to enter a small program to blink LEDs.

ChatGPT Launches 'Company Knowledge'

https://images.ctfassets.net/kftzwdyauwt9/7chvullEfOQmXA02RWRG1I/2ca5b3ea2964f4f4858b92165a672131/HowItWorks_16x9_desktop.png?w=3840&q=90&fm=webp
ChatGPT now connects to internal tools like Slack, Google Drive, and GitHub to provide business-specific answers. This feature, called company knowledge, brings together context from connected apps to help users make decisions and take action.

RFC 863 – Discard Protocol (1983)

The Discard Protocol is a standard for the ARPA Internet community, used for debugging and measurement. It discards received data without response on TCP port 9 or UDP port 9.

3D printed maquette of Amsterdam on scale 1:2000

https://media.at5.nl/images/544313.9d93580.jpg?width=200&ratio=16:9&quality=70
Een vastgoedondernemer heeft een 3D-geprinte maquette van Amsterdam gemaakt ter ere van het 750-jarig bestaan van de stad. De maquette, 70 vierkante meter groot, staat in het WTC en geeft een gedetailleerd overzicht van de hele stad.

OpenBSD C/C++ Toolchain in the Browser

The Light of “The Brothers Karamazov”

https://media.newyorker.com/photos/68f65dc4303d1d25fa556ee1/master/w_2560%2Cc_limit/Knausgard_the_Brothers_Karamazov.jpg
Fyodor Dostoyevsky wrote "The Brothers Karamazov" in 1878-1880, influenced by his son's death and Russian society's struggles. The novel explores themes of morality, identity, and the human condition through multiple voices and perspectives.

The Peter Principle and exploiting overconfident workers

https://marginalrevolution.com/wp-content/uploads/2019/07/mru-logo-450.png
Researchers Matthias Fahn and Nicholas Klein found that exploiting overconfident workers can be optimal, especially when new roles offer fresh opportunities. This dynamic provides a microfoundation for the "Peter Principle," where workers are promoted beyond their competence.

Dead soldiers' teeth reveal diseases that doomed Napoleon's army

You Already Have a Git Server

You can clone a git repository on a server with ssh access, work locally, and push changes back to sync code between computers. Git hooks can automate tasks like publishing code and running static site generators for easy backup and version tracking.

Intel hamstrung by supply shortages across its business

https://cdn.mos.cms.futurecdn.net/w87A8ne3VDCYHr924p5bbk.jpg
Intel faces supply shortages due to production capacity and substrate shortages, limiting its ability to meet demand for both data center and client products. The company plans to adjust pricing and prioritize data center CPUs, leading to increased prices for previous-generation client CPUs.

Curl on 110 Operating Systems

https://daniel.haxx.se/blog/wp-content/uploads/2023/09/old-machine.jpg
Curl has run on 110 different operating systems, a rare achievement with a tracked list. The exact definition of an operating system is vague, excluding separate Linux distributions.